sdang sdang sdang sdarang deng dang
Moderatori: 115X180, Dumbut, MCXT500, vecchiato
Ohibò. Mi aiuti chi può.
Stamattina, all'alba (erano circa le 10), ho imbarcato il figliolo Ivan sul Puledrino per accompagnarlo ad una tre giorni da mia sorella nel beneventano. Bei posti, i dintorni di Limatola.
Una quarantina di chilometri autostradali, e poi bellissime salite e discese collinari... brum brum... già sai... che bello!
A un certo punto, al termine di una lunga pendenza in salita, c'è uno stop. Mi fermo, e riparto. E il Puledrino mi fa: sdang sdang sdang sdarang deng dang... put put... metto a folle... puf. E si spegne. Come quando vuoi partire con una marcia alta in salita, ma io avevo la prima inserita e cominciava la discesa.
Ecco qua- pensai- si è scassato il motore. Davvero un rumoraccio brutto.
Lascio riposare un po' il motore, guardo di quà e di là, niente. Tutto sembra normale. Nessuna perdita d'olio, niente. Testata pulita pulita, carter secco. Non ho avuto l'impressione di aver visto fumi perticolari dallo scarico.
Dopo cinque minuti di riposo, controllo con trepidazione l'olio: perfetto, appena sotto il max.
C'è poco da fare, devo riprovare a riaccendere il motore. Premo il pirulicchio bianco, metto il kickstarter al punto giusto, e...
aiuto... aiuto...
e...
e...
e...
Brummmmmmmm! Il puledrino si accende al primo colpo. Perfetto. Il motore è un orologio.
Il tempo di godere un attimo, faccio risalire Ivan e ripartiamo.
Arriviamo da mia sorella, dopo una decina di chilometri, senza problemi.
Mangio una meravigliosa lasagna alla faccia di chi mi vuole male, chiacchiero un po', e poi si fa l'ora di tornare: meglio tornare a un orario da meccanico aperto.
Sono un po' preoccupato. Primo colpo... Brummmmm... alè.
Epilogo:
Arrivo a casa, e parcheggio la moto in garage. Nessun problema, il motore del Puledro ha funzionato come sempre, nessun segnale negativo, nessun fumo sospetto. Come nulla fosse successo.
Sono comunque un po' in pena... secondo voi, che cavolo era quello sdang sdang sdang sdarang deng dang?, che accidenti è successo? Mi devo preoccupare?
Cik
Stamattina, all'alba (erano circa le 10), ho imbarcato il figliolo Ivan sul Puledrino per accompagnarlo ad una tre giorni da mia sorella nel beneventano. Bei posti, i dintorni di Limatola.
Una quarantina di chilometri autostradali, e poi bellissime salite e discese collinari... brum brum... già sai... che bello!
A un certo punto, al termine di una lunga pendenza in salita, c'è uno stop. Mi fermo, e riparto. E il Puledrino mi fa: sdang sdang sdang sdarang deng dang... put put... metto a folle... puf. E si spegne. Come quando vuoi partire con una marcia alta in salita, ma io avevo la prima inserita e cominciava la discesa.
Ecco qua- pensai- si è scassato il motore. Davvero un rumoraccio brutto.
Lascio riposare un po' il motore, guardo di quà e di là, niente. Tutto sembra normale. Nessuna perdita d'olio, niente. Testata pulita pulita, carter secco. Non ho avuto l'impressione di aver visto fumi perticolari dallo scarico.
Dopo cinque minuti di riposo, controllo con trepidazione l'olio: perfetto, appena sotto il max.
C'è poco da fare, devo riprovare a riaccendere il motore. Premo il pirulicchio bianco, metto il kickstarter al punto giusto, e...
aiuto... aiuto...
e...
e...
e...
Brummmmmmmm! Il puledrino si accende al primo colpo. Perfetto. Il motore è un orologio.
Il tempo di godere un attimo, faccio risalire Ivan e ripartiamo.
Arriviamo da mia sorella, dopo una decina di chilometri, senza problemi.
Mangio una meravigliosa lasagna alla faccia di chi mi vuole male, chiacchiero un po', e poi si fa l'ora di tornare: meglio tornare a un orario da meccanico aperto.
Sono un po' preoccupato. Primo colpo... Brummmmm... alè.
Epilogo:
Arrivo a casa, e parcheggio la moto in garage. Nessun problema, il motore del Puledro ha funzionato come sempre, nessun segnale negativo, nessun fumo sospetto. Come nulla fosse successo.
Sono comunque un po' in pena... secondo voi, che cavolo era quello sdang sdang sdang sdarang deng dang?, che accidenti è successo? Mi devo preoccupare?
Cik
Socio n.330
Yamaha xt400 del 1982, "il puledrino cromato"
Yamaha xt400 del 1982, "il puledrino cromato"
Ciao Puledrino....bhe se era "sding sding sding" potevo risponderti ma "sdeng" non lo conosco..... 
...scherzo!...considerato che ti è successo la prima e unica volta è difficile risponderti, considerato che poi è andata regolare. Probabile che per una attimo la corrente alla candela (magari sporca) sia stata debole facendoti fare degli scoppi (nella camera) irregolari con conseguente irregolarità meccanica...magari sentiamo altri pareri
...scherzo!...considerato che ti è successo la prima e unica volta è difficile risponderti, considerato che poi è andata regolare. Probabile che per una attimo la corrente alla candela (magari sporca) sia stata debole facendoti fare degli scoppi (nella camera) irregolari con conseguente irregolarità meccanica...magari sentiamo altri pareri
XT 500 (83) - Socio n° 332/2008
Mountain bike
Mountain bike
Aggiornamento...
Con Tove siamo andati dal meccanico Mimmo, che quando gli ho raccontato del rumore, mi ha detto senza mezzi termini "si deve rifare il motore".
Ne ho parlato con Sebastiano, che mi ha invitato a far dare uno sguardo al Puledro anche al suo meccanico: conoscendo la mia moto, è convinto che il motore è a posto!
Seba abita a una trentina di chilometri, e con molta cautela l'ho raggiunto.
Secondo il meccanico, il motore gira bene, ma si scalda troppo, potrebbe darsi anche semplicemente per l'olio sbagliato e la miscela troppo povera (oltretutto si deve sostituire la catena, la corona pignone e la corona - quella montata sul Puledrino è molto grande, credo 46 denti). La causa del rumore potrebbe anche essere stata determinata dal motore surriscadato con conseguente allargamento delle parti meccaniche... Abbiamo preso appuntamento per venerdì.
Tornati da Seba, decidiamo di dare una pulita rapida al carburatore: il cicler del massimo (si chiama così quel tubicino di metallo giallo lungo e bucherellato?) aveva forellini otturati.
Ma comunque, una volta rimontato il carburatore, quando si apriva velocemente la manetta, a volte non rispondeva immediatamente (il filtro dell'aria è ok, mancava una fascetta al connettore filtro-carburatore, messa).
Regoliamo l'anticipo, va un po' meglio, ma non ancora perfettamente.
Seba dice che non c'entra niente, ma da uno sguardo alle punterie, che sono comunque consumate.
Il mio buon amico fa no con la testa. Sebastiano è preciso, pensa... pensa... e infine decide di dare uno sguardo alla molla della slitta tendicatena di trasmissione. Smontato il bullone grande, ci troviamo davanti a una strana situazione: il pirulicchio che dovrebbe muoversi all'interno del bullone piccolo (scrivo da ignorante in termini tecnici, ma sono sicuro che mi capite) è bloccato. Ci sono evidenti segni di martellatura!!!
Seba smonta la molla e la troviamo completamente bloccata. Lo "spingislitta" è del tutto incastrato nella posizione più profonda. Insomma, qualcuno che ha messo mano al motore (a questo punto ho un'idea, ma non la dico qui) sentendo la catena di trasmissione lenta (non voglio di nuovo scrivere le possibili ragioni che mi sono saltate in mente) ha ben pensato di martellarci dentro il pirulicchio per tenderla il più possibile.
Vabbè. Andiamo avanti con il racconto.
Sebastiano riesce a sbloccare il tutto, ma tutto il sistema comunque risente del trauma. Regola il movimento del pirulicchio e mi consente di tornare a casa con discreta sicurezza.
Il motore gira senza rumori sospetti.
Sulla strada del ritorno, sento che il Puledrino va meglio in allungata (cicler pulito - anticipo regolato) e il motore tira. A motore caldo, accelerando di botto il motore risponde subito. Dopo una ventina di chilometri di autostrada arrivo in tangenziale, c'è traffico, il motore comincia a surriscaldarsi e diventa più rumoroso. Una decina di chilometri prima-seconda e poi mi fermo dal benzinaio. Quando riparto, sento per un momento un accenno al rumore sdang sdang sdang sdarang deng dang (sento solo sdang deng
), e poi la moto va. Parcheggio.
Che ne pensate, vecchie volpi tecniche del club? E' possibile che il rumoraccio sia stato determinato dalla catena di distribuzione ormai allungata, che con il motore caldissimo (forse a causa di difetto di carburazione e di olio sbagliato), in partenza, quindi con forte tensione istantanea, sbarella e sbatte non so dove? (ricordo che quando mi accadde la prima volta, dopo aver fatto raffreddare il motore, la moto è ripartita senza problemi).
Approfitto di questo topic per ringraziare pubblicamente Sebastiano e Poldo Leopoldo, che mi hanno ricordato che meraviglia è l'amicizia pura, semplice, sincera. Due esempi di come sarebbe bello il mondo se ci fossero più persone come loro.
Attendo i vostri commenti, soci tecnologici! C'aggia fà?
Cik
Con Tove siamo andati dal meccanico Mimmo, che quando gli ho raccontato del rumore, mi ha detto senza mezzi termini "si deve rifare il motore".
Ne ho parlato con Sebastiano, che mi ha invitato a far dare uno sguardo al Puledro anche al suo meccanico: conoscendo la mia moto, è convinto che il motore è a posto!
Seba abita a una trentina di chilometri, e con molta cautela l'ho raggiunto.
Secondo il meccanico, il motore gira bene, ma si scalda troppo, potrebbe darsi anche semplicemente per l'olio sbagliato e la miscela troppo povera (oltretutto si deve sostituire la catena, la corona pignone e la corona - quella montata sul Puledrino è molto grande, credo 46 denti). La causa del rumore potrebbe anche essere stata determinata dal motore surriscadato con conseguente allargamento delle parti meccaniche... Abbiamo preso appuntamento per venerdì.
Tornati da Seba, decidiamo di dare una pulita rapida al carburatore: il cicler del massimo (si chiama così quel tubicino di metallo giallo lungo e bucherellato?) aveva forellini otturati.
Ma comunque, una volta rimontato il carburatore, quando si apriva velocemente la manetta, a volte non rispondeva immediatamente (il filtro dell'aria è ok, mancava una fascetta al connettore filtro-carburatore, messa).
Regoliamo l'anticipo, va un po' meglio, ma non ancora perfettamente.
Seba dice che non c'entra niente, ma da uno sguardo alle punterie, che sono comunque consumate.
Il mio buon amico fa no con la testa. Sebastiano è preciso, pensa... pensa... e infine decide di dare uno sguardo alla molla della slitta tendicatena di trasmissione. Smontato il bullone grande, ci troviamo davanti a una strana situazione: il pirulicchio che dovrebbe muoversi all'interno del bullone piccolo (scrivo da ignorante in termini tecnici, ma sono sicuro che mi capite) è bloccato. Ci sono evidenti segni di martellatura!!!
Seba smonta la molla e la troviamo completamente bloccata. Lo "spingislitta" è del tutto incastrato nella posizione più profonda. Insomma, qualcuno che ha messo mano al motore (a questo punto ho un'idea, ma non la dico qui) sentendo la catena di trasmissione lenta (non voglio di nuovo scrivere le possibili ragioni che mi sono saltate in mente) ha ben pensato di martellarci dentro il pirulicchio per tenderla il più possibile.
Vabbè. Andiamo avanti con il racconto.
Sebastiano riesce a sbloccare il tutto, ma tutto il sistema comunque risente del trauma. Regola il movimento del pirulicchio e mi consente di tornare a casa con discreta sicurezza.
Il motore gira senza rumori sospetti.
Sulla strada del ritorno, sento che il Puledrino va meglio in allungata (cicler pulito - anticipo regolato) e il motore tira. A motore caldo, accelerando di botto il motore risponde subito. Dopo una ventina di chilometri di autostrada arrivo in tangenziale, c'è traffico, il motore comincia a surriscaldarsi e diventa più rumoroso. Una decina di chilometri prima-seconda e poi mi fermo dal benzinaio. Quando riparto, sento per un momento un accenno al rumore sdang sdang sdang sdarang deng dang (sento solo sdang deng
Che ne pensate, vecchie volpi tecniche del club? E' possibile che il rumoraccio sia stato determinato dalla catena di distribuzione ormai allungata, che con il motore caldissimo (forse a causa di difetto di carburazione e di olio sbagliato), in partenza, quindi con forte tensione istantanea, sbarella e sbatte non so dove? (ricordo che quando mi accadde la prima volta, dopo aver fatto raffreddare il motore, la moto è ripartita senza problemi).
Approfitto di questo topic per ringraziare pubblicamente Sebastiano e Poldo Leopoldo, che mi hanno ricordato che meraviglia è l'amicizia pura, semplice, sincera. Due esempi di come sarebbe bello il mondo se ci fossero più persone come loro.
Attendo i vostri commenti, soci tecnologici! C'aggia fà?
Cik
Socio n.330
Yamaha xt400 del 1982, "il puledrino cromato"
Yamaha xt400 del 1982, "il puledrino cromato"
la butto lì:
... se a caldo il tendicatena si bloccasse nella posizione di maggior "lasco" ?
(visto che non è in condizioni ottimali)
ciao
Gianfranco
... se a caldo il tendicatena si bloccasse nella posizione di maggior "lasco" ?
(visto che non è in condizioni ottimali)
ciao
Gianfranco
socio # 184
XT500 ('81)
BMW R100R ('94) - Gilera RC125 Top Rally ('89) - Gilera 124 5v ('71)
XT500 ('81)
BMW R100R ('94) - Gilera RC125 Top Rally ('89) - Gilera 124 5v ('71)
penso anche io così, visto che hai trovato riscontri in quel senso.GFR ha scritto:la butto lì:
... se a caldo il tendicatena si bloccasse nella posizione di maggior "lasco" ?
(visto che non è in condizioni ottimali)
ciao
Gianfranco
Anche la mia non gradisce le soste in coda e generalmente oltre gli 85° temp olio indicati (non so se effettivi)
comincia ad essere più rumorosa e l'accoppiata frizione cambio si modifica (la frizione stacca in maniera differente al normale ed il cambio diventa più secco).
dumbut
________________________
Yamaha XT500 1U6 2H1 '78 " Sissi"
Yamaha SR500 2J4 '82 "Birba"
BMW R45 '83 "BeTty" (Black Turtle)
Honda XL125 JC-06 '84 "HonDina"
Cagiva Elefantre 125 '88
Alazzurra '85 "Ally"
________________________
Yamaha XT500 1U6 2H1 '78 " Sissi"
Yamaha SR500 2J4 '82 "Birba"
BMW R45 '83 "BeTty" (Black Turtle)
Honda XL125 JC-06 '84 "HonDina"
Cagiva Elefantre 125 '88
Alazzurra '85 "Ally"
Sì, a caldo in sosta il cambio e la frizione sembrano... come dire... "rugosi". Questo lo faceva anche prima del rumoraccio.Dumbut ha scritto:Anche la mia non gradisce le soste in coda... comincia ad essere più rumorosa e l'accoppiata frizione cambio si modifica (la frizione stacca in maniera differente al normale ed il cambio diventa più secco).GFR ha scritto:la butto lì:
... se a caldo il tendicatena si bloccasse nella posizione di maggior "lasco" ?
(visto che non è in condizioni ottimali)
ciao
Gianfranco
Se siamo in due in salita, a motore caldo, devo dare molto gas per evitare che mi si spenga sotto (la moto, eh
...ma cosa fareste, al posto mio? che interventi? una volta che si cambia la catena della distribuzione...
Socio n.330
Yamaha xt400 del 1982, "il puledrino cromato"
Yamaha xt400 del 1982, "il puledrino cromato"
io, per prima cosa, sistemerei il tendi catena a regola d'arte, con pezzi nuovi se necessario.
per tirar giù il motore c'è sempre tempo...
per tirar giù il motore c'è sempre tempo...
socio # 184
XT500 ('81)
BMW R100R ('94) - Gilera RC125 Top Rally ('89) - Gilera 124 5v ('71)
XT500 ('81)
BMW R100R ('94) - Gilera RC125 Top Rally ('89) - Gilera 124 5v ('71)
-
scrambler1
- Messaggi: 266
- Iscritto il: 17/07/2005, 22:37
- Località: Grande Napoli
...... dopo diverse ipotesi, congetture e stramort...... ai meccanici infedeli il Cicca può stare tranquillo che il suo motore è + OK dei miei messi insieme e i pezzi del tendicatena possiamo smontarli dall'altro motore che ho di ricambio ...... la catena a mio parere, e domani avremo il confronto con il + esperto Ciro, è molto allungata in quanto il perno che regola il tendicatena è quasi tutto avvitato ed il tendicatena fuoriesce per quasi 3 mm. Regolando l'accrocchio come da manuale, tendicatena a filo etc etc fà un rumore da pazzi, e penso che qualche problema potrebbe averlo anche il pattino per aver lavorato con la stessa catena troppo in tensione ....... la qual sostituzione purtroppo prevede lo smontaggio del motore. Regolando inoltre il tendicatena è scomparso un fruscio da "volvente" attribuibile forse al cuscinetto in tiro. La qual cosa troverebbe conferma nel fatto che il motore a freddo fa meno rumore in quanto il cilindro si riscalda + velocemente della catena che è in tiro per poi allungarsi sotto sforzo e con i caldi ....
Il Cicca avrebbe bisogno in primis di essere rincuorato ed in secundis della dottoressa Tirone ........
Il Cicca avrebbe bisogno in primis di essere rincuorato ed in secundis della dottoressa Tirone ........
Scrambler
socio n°58
XT500 '80 "Skikka@98"
XT500 '83 "Skikko@01"
XT550 '83
XT600 '89
KZ400 '78
GS400 '76
W650 '01
PX125 '82
XL125 '85
socio n°58
XT500 '80 "Skikka@98"
XT500 '83 "Skikko@01"
XT550 '83
XT600 '89
KZ400 '78
GS400 '76
W650 '01
PX125 '82
XL125 '85
Belle e buone notizie per il Cicca!
Fabrizio
Fabrizio
XT 500 '81
Socio Nr 143 dal 2005
Socio Nr 143 dal 2005
Ueee il Cicca!...ma insomma siamo stati belli e tranquilli su al raduno, di notte e di giorno a girar su lungo e largo ed ora devo sentire che il tuo puledrino sta male...mannaggia amaiella!
prima hanno messo mano e.. fatto male il serbatoio poi, il motore.....grrrrrrrr
...vedo che scrambler1 sà il fatto suo...siamo tutti con te!
Teneteci aggiornati he!
prima hanno messo mano e.. fatto male il serbatoio poi, il motore.....grrrrrrrr
...vedo che scrambler1 sà il fatto suo...siamo tutti con te!
Teneteci aggiornati he!
XT 500 (83) - Socio n° 332/2008
Mountain bike
Mountain bike
Eccomi qua.
Ieri sono andato dal meccanico di Seba, che ha sostituito l'olio del motore (nerissimo), cambiato il filtro dell'olio e pulito il filtro dell'olio nel telaio (sinceramente, non ne conoscevo l'esistenza - era completamente ricoperto di sporco, probabilmente mai ripulito, così come era sporco di residui l'interno del telaio). Ha scoperto che il tappo del filtro dell'olio era rotto sul bordo, ed un pezzetto era stato incollato e poi pressato con l'avvitamento - segno di noncuranza di chi l'ha smontato l'ultima volta - senza dirmelo. Inoltre, Ciro ha pulito il filtro dell'aria e reso la carburazione più ricca. Ha sostituito la corona del pignone, la catena (ora o-ring, la precedente aveva un gioco pazzesco che faceva andare il Puledrino come fosse stato una macchinina a frizione - zin zin) e la corona (nientepopodimeno avevo sotto una corona a 50 denti - da dove sarà uscita fuori?); ora monta una 42, come da manuale.
Riguardo la catena di distribuzione, questa risulta molto allungata, e lo spingicatena è in fondo (a questo ci penseremo tra pochissimo).
Risultato: il Puledrino ora va liscio, ha un bell'allungo, non è sotto sforzo (in autostrada al minimo siamo sui 90 - prima a quella velocità era già su di giri), non riscalda più, anche nel traffico dopo una corsa in autostrada).
Insomma, ciò che mi aveva detto il meccanico precedente (si deve rifare il motore!!) non era vero, come aveva asserito subito Sebastiano. Lo sdang sdang sdang sdarang deng dang è stato determinato molto probabilmente dal surriscaldamento esagerato del motore (olio non idoneo-circolazione dell'olio bloccata-miscela povera-motore sempre ad alto regime di giri-catena di distribuzione schiacciata dalla molla e la slitta con conseguente attrito, il tutto condito da una salita lunga-due persone-percorso autostradale con catena che si allungava e si accorciava). In questa situazione sballata, quando sono ripartito in prima allo stop dopo l'autostrada e la lunga salita, ci dev'essere stato uno sfasamento totale del sistema, uno sbattimento interno tra catena di distribuzione, cilindro e valvole: se si fosse rotto qualcosa, avrei dovuto solo chiamare il carro attrezzi, mentre invece, una volta riposata, dopo una decina di minuti, la moto è ripartita senza problemi. Sintomo di problemi di surriscaldamento.
A maggio avevo fatto cambiare l'olio dal vecchio meccanico (ora non mi va più nemmeno di nominarlo). Avrà messo olio non idoneo, avrà rotto il tappo del filtro, avrà sentito la catena di distribuzione rumorosa e allungata e ben avrà pensato di spingere lo spingicatena in maniera forzata. Poi mi disse (già da allora)... questo motore si deve rifare...
Prima di questo intervento, dopo una mezz'ora che guidavo, mi si addormentava la mano destra. Ora non più. Pensavo che fosse determinato dall'età (mia), e dalle vibrazioni (non conoscendo il mezzo credevo fosse normale che vibrasse così - guardando negli specchietti retrovisori ballava l'immagine), mentre ora non ho nessun fastidio alla mano e l'immagine nei retrovisori è nitida.
Morale dell'incubo: mai fidarsi dell'opinione di un solo meccanico, a meno che non si abbia in lui la massima fiducia. Dare la massima importanza ai segnali che la tua XT ti invia perché non vuole abbandonarti (e lo fa fin quando è allo stremo, fedele compagna). Usare solo olio idoneo, e controllare a ogni cambio che il sistema di lubrificazione sia pulito. Avere la carburazione a puntino. Ma principalmente avere un amico come Sebastiano, e il supporto degli amici del club. C'è chi mi ha davvero sorpreso per gentilezza e disponibilità e s a g e r a t a !
Ringrazio tutti i presenti, e anche chi da un po' non è presente nel forum, che per telefono mi ha dato giuste dritte.
Grazie.
Claudio
Ieri sono andato dal meccanico di Seba, che ha sostituito l'olio del motore (nerissimo), cambiato il filtro dell'olio e pulito il filtro dell'olio nel telaio (sinceramente, non ne conoscevo l'esistenza - era completamente ricoperto di sporco, probabilmente mai ripulito, così come era sporco di residui l'interno del telaio). Ha scoperto che il tappo del filtro dell'olio era rotto sul bordo, ed un pezzetto era stato incollato e poi pressato con l'avvitamento - segno di noncuranza di chi l'ha smontato l'ultima volta - senza dirmelo. Inoltre, Ciro ha pulito il filtro dell'aria e reso la carburazione più ricca. Ha sostituito la corona del pignone, la catena (ora o-ring, la precedente aveva un gioco pazzesco che faceva andare il Puledrino come fosse stato una macchinina a frizione - zin zin) e la corona (nientepopodimeno avevo sotto una corona a 50 denti - da dove sarà uscita fuori?); ora monta una 42, come da manuale.
Riguardo la catena di distribuzione, questa risulta molto allungata, e lo spingicatena è in fondo (a questo ci penseremo tra pochissimo).
Risultato: il Puledrino ora va liscio, ha un bell'allungo, non è sotto sforzo (in autostrada al minimo siamo sui 90 - prima a quella velocità era già su di giri), non riscalda più, anche nel traffico dopo una corsa in autostrada).
Insomma, ciò che mi aveva detto il meccanico precedente (si deve rifare il motore!!) non era vero, come aveva asserito subito Sebastiano. Lo sdang sdang sdang sdarang deng dang è stato determinato molto probabilmente dal surriscaldamento esagerato del motore (olio non idoneo-circolazione dell'olio bloccata-miscela povera-motore sempre ad alto regime di giri-catena di distribuzione schiacciata dalla molla e la slitta con conseguente attrito, il tutto condito da una salita lunga-due persone-percorso autostradale con catena che si allungava e si accorciava). In questa situazione sballata, quando sono ripartito in prima allo stop dopo l'autostrada e la lunga salita, ci dev'essere stato uno sfasamento totale del sistema, uno sbattimento interno tra catena di distribuzione, cilindro e valvole: se si fosse rotto qualcosa, avrei dovuto solo chiamare il carro attrezzi, mentre invece, una volta riposata, dopo una decina di minuti, la moto è ripartita senza problemi. Sintomo di problemi di surriscaldamento.
A maggio avevo fatto cambiare l'olio dal vecchio meccanico (ora non mi va più nemmeno di nominarlo). Avrà messo olio non idoneo, avrà rotto il tappo del filtro, avrà sentito la catena di distribuzione rumorosa e allungata e ben avrà pensato di spingere lo spingicatena in maniera forzata. Poi mi disse (già da allora)... questo motore si deve rifare...
Prima di questo intervento, dopo una mezz'ora che guidavo, mi si addormentava la mano destra. Ora non più. Pensavo che fosse determinato dall'età (mia), e dalle vibrazioni (non conoscendo il mezzo credevo fosse normale che vibrasse così - guardando negli specchietti retrovisori ballava l'immagine), mentre ora non ho nessun fastidio alla mano e l'immagine nei retrovisori è nitida.
Morale dell'incubo: mai fidarsi dell'opinione di un solo meccanico, a meno che non si abbia in lui la massima fiducia. Dare la massima importanza ai segnali che la tua XT ti invia perché non vuole abbandonarti (e lo fa fin quando è allo stremo, fedele compagna). Usare solo olio idoneo, e controllare a ogni cambio che il sistema di lubrificazione sia pulito. Avere la carburazione a puntino. Ma principalmente avere un amico come Sebastiano, e il supporto degli amici del club. C'è chi mi ha davvero sorpreso per gentilezza e disponibilità e s a g e r a t a !
Ringrazio tutti i presenti, e anche chi da un po' non è presente nel forum, che per telefono mi ha dato giuste dritte.
Grazie.
Claudio
Socio n.330
Yamaha xt400 del 1982, "il puledrino cromato"
Yamaha xt400 del 1982, "il puledrino cromato"
come dice il saggio : tutto è bene quelche finisce bene......
e l'ultimo chiude la porta
lunga vita al puledrino (prossimamente lo vedremo ad agnano x il lotteria
)
ciao
lunga vita al puledrino (prossimamente lo vedremo ad agnano x il lotteria
ciao
ufficial
socio n205 dal 2005
moto:
xt 500 1980
px 125 america 1982
laverda 125 lz elegant 1980
socio n205 dal 2005
moto:
xt 500 1980
px 125 america 1982
laverda 125 lz elegant 1980
Se può essere d'aiuto al puledrino...
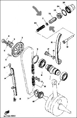
Nel gruppo della distribuzione c'è un gommino (indicato con la freccia) la cui mancanza o usura, provoca rumorosità e difficoltà nella regolazione.
Mi è capitato in passato...
Nel gruppo della distribuzione c'è un gommino (indicato con la freccia) la cui mancanza o usura, provoca rumorosità e difficoltà nella regolazione.
Mi è capitato in passato...
Gianluca
---------------------------
Yamaha XT 500 1977
Yamaha XT 500 1979
Yamaha YZ 250 2000
---------------------------
Socio n. 3 - Fondatore
---------------------------
Yamaha XT 500 1977
Yamaha XT 500 1979
Yamaha YZ 250 2000
---------------------------
Socio n. 3 - Fondatore
Thanks, Secretaire... la faccion mea sut le peire votre...
...anche il Sanremese dormiente (anche se è in vacanza sbircia, e mi telefona...) mi ha segnalato questo mappino di gommino!
Socio n.330
Yamaha xt400 del 1982, "il puledrino cromato"
Yamaha xt400 del 1982, "il puledrino cromato"
Oggi ho fatto un controllo sul gruppo tenditore, l'ho smontato per verificarne le condizioni e a vista sembra tutto in ordine di cui era presente anche la "rondella/gommino"...dico cosi in quanto a vista sembra una rondella in metallo ma scalettata e di parti in gomma non c'era nessuna traccia. E' normale?
Inoltre guardando lo schema nel mio è presente una seconda molla subito dopo la famosa rondella che si và a infilare poi nel cilindretto filettato...secondo voi?
Inoltre guardando lo schema nel mio è presente una seconda molla subito dopo la famosa rondella che si và a infilare poi nel cilindretto filettato...secondo voi?
XT 500 (83) - Socio n° 332/2008
Mountain bike
Mountain bike
-
scrambler1
- Messaggi: 266
- Iscritto il: 17/07/2005, 22:37
- Località: Grande Napoli
Dovrebbe essere una modifica importata sui modelli dall'84 in poi.
Ciao
Ciao
Scrambler
socio n°58
XT500 '80 "Skikka@98"
XT500 '83 "Skikko@01"
XT550 '83
XT600 '89
KZ400 '78
GS400 '76
W650 '01
PX125 '82
XL125 '85
socio n°58
XT500 '80 "Skikka@98"
XT500 '83 "Skikko@01"
XT550 '83
XT600 '89
KZ400 '78
GS400 '76
W650 '01
PX125 '82
XL125 '85
Ecco, allego una foto di quanto accennato.
[img=http://img441.imageshack.us/img441/7730 ... pjl.th.jpg]
[img=http://img441.imageshack.us/img441/7730 ... pjl.th.jpg]
XT 500 (83) - Socio n° 332/2008
Mountain bike
Mountain bike


